Paese reale 2016

Sineddoche, una parte per il tutto: lacrime 
Leggi di piùtocca le immagini per leggere le interviste

tocca leclicca sulle immagini per leggere la descrizione

tapclick on the images to read the description

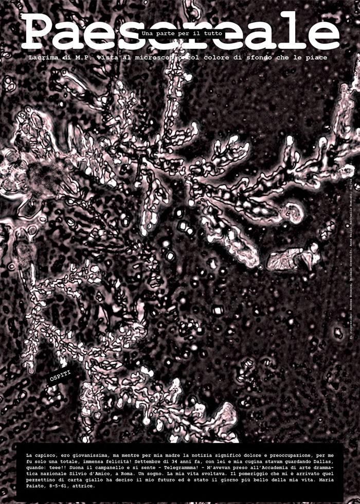
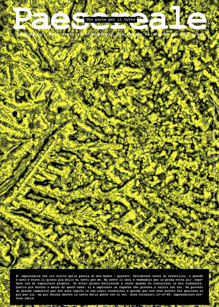
Siamo eredità: genetiche, storiche, ambientali, economiche, culturali, siamo frutto di mutamenti continui che derivano dagli incontri con l'altro da noi, siamo un composto quindi, un tutto fatto di innumerevoli parti. Per questo nel 2016  invece del viso a rappresentare la persona ho usato una sua emanazione. Una lacrima. Li ho fatti piangere, ho raccolto la lacrima su un vetrino, l' ho fotografata dopo averla fatta ingrandire di 300.000 volte al microscopio elettronico, e ho chiesto al proprietario della lacrima di scegliere un colore, dato che le lacrime sono  tutte grigie in natura. 

 

Leggi meno

Barca Stefano
Barca Stefano
Il mio giorno piu' bello? Maial che domanda...forse quando sono andato a Londra nel 2011. Ho avuto culo, dopo 6 giorni ho trovato lavoro, e dopo 15 la palestra che faceva per me. Senza sport infatti non riesco a stare. Il desiderio che ho? Tornare li'. E' uno Stato organizzato, un'altra mentalità. Ti dicom solo che non ho mai visto un treno arrivare in ritardo. Andrei proprio, ma l' anno scorso mi hanno ritirato la patente e quindi è partita tutta una struma che durerà 4-5 anni., per cui devo star qui. Quello è stato il giorno piu' brutto per me. Avevo appena più di 0,80, ma è scattato il penale. Una pippa infinita. Stefano Barca, 22-9-80, cameriere e insegnante di arti marziali.
Bellinati Giovanna
Bellinati Giovanna
Giorni brutti? Eee...ho abbondanza di scelta…diciamo quando è morta mia madre e son rimasta orfana, dato che mio padre l’avevo perso quando avevo 4 anni e mezzo. E ti dico una cosa strana. Dopo 40 anni abbiam dovuto esumarlo: beh era intatto! Saponificato han detto. Si vedevan i capelli tirati indietro, i baffetti, la cravatta. Non so se è quella zona del cimitero a causare quell’effetto, ma Io ho pensato che avesse voluto che lo vedessi com’era veramente, dato che i miei ricordi eran vaghissimi. Giovanna Bellinati, 26-1-64, gerente di una palestra.
Bertasi Fabio
Bertasi Fabio
Il giorno più bello? Sull’ aia, da solo, in una mattinata di primavera. Avevo 3 anni, c’era il sole e si vedevan le montagne. E’ stato un flash indimenticabile: per la prima volta ho avuto la sensazione di essere al mondo e di starci dentro. Mentre il giorno più brutto è stato quando a 12 anni mi è morto York. Da figlio unico lo vedevo un po’ come un fratello di un’altra razza e non avendo precedenti lutti in famiglia quello è stato il primo incontro con la morte. Poi mi sentivo in colpa, me ne ero andato in giro lasciando il cancello aperto, e lui seguendomi era finito sotto una macchina. Ma non lo trovammo subito, in più dovevam partire per le vacanze e lui non tornava. Uno strazio. Fabio Bertasi, 27-1-70, biologo.
Bonatti Alberto
Bonatti Alberto
Beh, quando son riuscito a fare della mia passione un lavoro è stato un giorno bellissimo. Era il ’95 e ho venduto le mie prime foto per un catalogo della Irsab! Di conseguenza il desiderio- speranza che ho è che tutti abbian la possibilità di realizzare i propri sogni. Bisogna crederci! Non aver paura dei gufi malefici che dicon che non ce la farai mai. Se ci credi, può funzionare! Mentre i giorni più brutti per me son stati quando son morti i miei genitori, avevo un buon rapporto con loro, son stato fortunato. Alberto Bonatti,20-1-63, fotografo.
Bonazza Andrea
Bonazza Andrea
Il giorno più bello è collegato con quello più brutto, che è stato quando è morta mia madre, nel 2000 a 51 anni, per via di un tumore intestinale. Sette mesi di calvario, dato che anche la morfina non faceva più effetto. Ma sette mesi in cui abbiam avuto la fortuna di riuscire a dirci tutto quello che avevamo da dire. E lei appunto mi ha consigliato di fare un figlio, sostenendo che la cosa più bella per lei ero stato io. Ha avuto ragione, l’arrivo di Zoe per me è la cosa più fantastica di tutte. Andrea Bonazza, 13-10-70, farmacista.Il giorno più bello è collegato con quello più brutto, che è stato quando è morta mia madre, nel 2000 a 51 anni, per via di un tumore intestinale. Sette mesi di calvario, dato che anche la morfina non faceva più effetto. Ma sette mesi in cui abbiam avuto la fortuna di riuscire a dirci tutto quello che avevamo da dire. E lei appunto mi ha consigliato di fare un figlio, sostenendo che la cosa più bella per lei ero stato io. Ha avuto ragione, l’arrivo di Zoe per me è la cosa più fantastica di tutte. Andrea Bonazza, 13-10-70, farmacista.
Borghi Francesco
Borghi Francesco
Eeee…mm…mmh…forse il matrimonio di mio cugino nel 2007 è stato il giorno più bello della mia vita. Perchè anche se abita in Liguria ed è parecchio più grande di me ci vediamo spesso. Lui ha trovato in mia mamma una seconda mamma e in me e mia sorella quasi due fratelli minori. Francesco Borghi, 13-2-92, studente di chimica all’ università.
Bugaro Romolo
Bugaro Romolo
Il periodo più bello potrebbe essere questo credo. 54 anni e la sensazione di essere abbastanza vicino a me stesso, abbastanza distante dalle cose che mi facevano star male o malissimo una volta. Il periodo più brutto sono infiniti frammenti di periodo, decessi separazioni delusioni errori incomprensioni viltà stupidaggini leggerezze crudeltà debolezze incertezze cattiverie vere. Frammenti sparsi, disseminati. Nessuno vince sugli altri. Romolo Bugaro, 3-11-62, scrittore e avvocato.
Caselli Katia
Caselli Katia
Giorno bello: il giorno in cui è nata mia figlia. L' ho guardata, l' ho tenuta tra le braccia, e ho scoperto l' amore incondizionato. Giorno brutto: deve ancora venire. Desiderio: che la famosa intelligenza dell’ essere umano si manifesti. Da come tratta la sua casa e la terra, forse bisognerebbe rivedere il concetto. Katia Caselli, 29-6-68, infermiera.
Corazzari Alex
Corazzari Alex
E’ impossibile che sia uscito dalla pancia di mia madre - pensavo. Desideravo tanto un fratellino, e quando è nato è stato il giorno più bello di tutti per me. Ma avevo 11 anni e vedendolo per la prima volta all’ ospedale non mi capacitavo proprio. Un altro giorno bellissimo è stato quando ho conosciuto la mia fidanzata. Quello più brutto a marzo di quest’anno: si è impiccato un ragazzo che giocava a calcio con noi. Ho provato un grande rammarico per non aver capito le sue reali condizioni e quindi per non aver potuto far qualcosa in più per lui, ma poi chissà…dentro la testa della gente non ci sei. Alex Corazzari,13-10-88, imprenditore settore edile.
Corazzari Marica
Corazzari Marica
Grazie a questi cretini, scusa il termine, a questi malati di mente, adesso viaggiare è diventato pericoloso con tutti 'sti attentati. E il mio desiderio fisso è appunto quello di viaggiare: ovunque. Anche andando a scoprire le bellezze dietro l' angolo. Ma adesso rischi la vita se vuoi andare a vedere le cose. Marica Corazzari, 20-1-87, impiegata settore trasporti.
Corti Stefano
Corti Stefano
Ti dico solo che dalle finestre del mio monolocale interrato si vedevan giusto i bidoni della spazzatura, niente altro. E quindi, tralasciando i lutti famigliari, un periodo molto brutto per me è stato proprio in quegli anni. Finito il lavoro nei villaggi turistici, come intrattenitore, tenevo tanti sogni ma poche possibilità economiche, perché lavoravo in un call-center per permettermi di studiare teatro. E’ stato molto difficile. Però poi son riuscito. Stefano Corti, 18-7-85, intrattenitore e inviato delle Iene.
Dall Ara Paola
Dall Ara Paola
No no hehhè non ho voglie, son tranquilla! Una speranza? Vivere il più possibile e arrivare ai cent’anni! Certo che ho paura di invecchiare, tutti abbiamo quel problema, tutti i giorni c’è una nuova ruga. Però: creme, cremine, estetista, io cerco di tirarmi su, hehhè. I giorni più belli? Quando son nati i miei bimbi. Mentre il più brutto quando è morta mia madre. Avevo solo 11 anni e mio padre poi ha portato in casa una donna che io e mio fratello non sopportavamo. Cosi’ appena abbiam potuto siam andati via e ora son 5 anni che non lo sentiamo. Paola Dall’Ara, 18-3-76, stiratrice.
Fornasiero Franco
Fornasiero Franco
Siam simili ai maiali, per questo mi han riparato la valvola del cuore col tessuto di quell’animale. Ed è stata la mia fortuna, perché se me la sostituivano dopo 10 anni dovevo cambiarla, invece riparata col maiale dura molto di più. Ma il giorno prima dell’operazione, sotto Natale, con tutti allegri, io … un pensiero, una paura! Quello è stato il giorno più brutto. Come desiderio vorrei tanto andare in Sardegna. Degli amici, con cui ho fatto il militare da giovane, mi dicon sempre - Vieni,vieni! Mi son quasi innamorato di quelle parole, e mi piacerebbe per la prima volta prender un aereo o una nave. Solo che la suocera ha 89 anni, non possiam lasciarla sola. Franco Fornasiero, 31-10-48, magazziniere in pensione.
Forti Giorgio
Forti Giorgio
Desideri…desideri… io vorrei che fossero tutti più buoni nel mondo. Ritornare un attimino a volerci bene. Essere più uniti! Aiutarsi! Darsi una mano! Invece ci stanno volutamente creando attorno il caos! Che giova ai loro interessi ma non alle persone! E cosi’ c’è troppa cattiveria e odio. Viviamo male! Con l’ansia e il terrore per i nostri figli! Una volta non era così! Giorgio Forti, 6-6-74, idraulico artigiano.
Forti Riccardo1 (1)
Forti Riccardo1 (1)
Era molto solare Andrea. Ti metteva a tuo agio. Era discreto ma anche molto scherzoso. Pensa che una volta lui e Framba, al lido di Dante, parcheggiata l’ auto, mi dissero di andare avanti che poi mi avrebbero raggiunto. E io vado, ma arrivato in spiaggia non capisco, son l’unico col costume. Mi avevan spedito in un centro nudista senza dirmelo, hehhè. Ogni tanto penso a lui: che voleva prendersi una casa in Polonia da quanto gli piaceva quella nazione, che quando stava male voleva un’acqua particolare che son riuscito a trovargli. Lo ricordo sì. Il giorno della sua morte, a seguito di un cancro, insieme a quello della morte improvvisa di mio zio, son stati i più brutti della mia vita. Riccardo Forti, 12-1-65, lavoratore parasubordinato alla facoltà di Legge.
Franzot Jessica
Franzot Jessica
Il mio sogno? Avere più sicurezze economiche, visto che mio marito in 9 anni ha avuto solo occupazioni saltuarie. E questo si collega col giorno più brutto della mia vita: 9 mesi fa, mia madre, davanti ai bambini, mi ha fatto una scenata terribile per via che lui non lavora. Io le ho dato della stronza e da allora anche mio padre non ci parla più. Non abbiam mai avuto un bel rapporto, ma adesso son molto preoccupata visto che anche mia nonna e le mie zie li hanno allontanati e neanche i nipoti vedono. Lei è solo sessantenne ma secondo me quando mi ha partorito le s’è bloccata la crescita. Jessica Franzot, 4-1-64, tecnica di laboratorio.
Furini Claudio
Furini Claudio
Al di’ più bel par mi l’è sta’ quand ch’ am son congedà! L’otto gennaio dell’ottantadue. Non volevo proprio farlo il militare, stavo bene a casa mia. Anche se la ferma era qui vicino, a 70 kilometri dalla mia famiglia, mi ero impuntato di non farlo. Lo ritenevo assolutamente inutile. Però alla fine mi è servito, ho imparato a stare in mezzo alla gente, a farmi i miei interessi e ad evitare le brutte compagnie. In pratica a diventar grande. Claudio Furini, 1-8-61, metalmeccanico.
Ghidotti Monica
Ghidotti Monica
Ho voluto tanto una figlia, proprio per chiamarla come mia madre Fiorenza, morta di tumore alle ovaie a soli 34 anni, dopo 11 mesi di agonia. Io stavo per diventare maggiorenne allora, lavoravo in un’azienda tessile, avevo due fratellini piccoli a cui badare, e un padre che continuava a portare donne in casa che non andavan bene a nessuno. Quel periodo è stato proprio terribile, solo mia nonna paterna a darmi una mano. Però è passato, e il giorno più bello è stato appunto quando è nata sana mia figlia femmina. Monica Ghidotti, 19-11-73, casalinga.
Giuriola Antonella
Giuriola Antonella
Non per il fatto di arrivare… ma per il modo in cui ci si arriva. E quindi per l’intesa che ci deve essere col tuo compagno di arrampicata… e per l’attenzione che devi prestare a tutti i rumori e a tutti i gesti… e per il tempo limitato che avevamo, visto che stava arrivando il temporale, e dunque per le paure superate e la fatica che ti rimane. Mai avrei immaginato nella vita, mai, che il giorno più bello di tutti per me, sarebbe stato durante la salita alla cima grande di Lavaredo. Sei ore di lotta con i propri limiti, e un grande senso di equilibrio interiore poi, nel luglio di dieci anni fa. Antonella Giuriola, 18-10-59, bibliotecaria.
Guerzoni Fabio
Guerzoni Fabio
Maaa... la prima volta che andai a San Siro direi che è stato il giorno più bello della mia vita. Lo stadio che ti tremava sotto i piedi... il boato continuo... il tifo... ma anche il 4 a 0 che abbiamo rifilato al Milan nel primo derby di stagione. Era il 2009, quell’anno l’Inter vinse tutto. Fabio Guerzoni, 23-5-95, assistente alla poltrona studio dentistico.
Guidi Massimo
Guidi Massimo
Fare il giro di tutte le spiagge del mondo! Ecco il desiderio che ho se potessi. Il giorno più brutto per me è stato nel ’99, quando da Rayban siam passati al gruppo Luxottica. Tutto apposto ci dicevamo, meglio di Luxottica non c’è niente. Invece…dopo 15 giorni tutta la rete vendita, me compreso, è stata messa a casa. Senza alcuna spiegazione. E dal 2000 i Rayban han cannibalizzato il mercato per più di una dozzina d’anni. Nel 2003 dei rappresentanti di Rayban hanno incassato anche 900.000 euro di provvigione. Massimo Guidi, 22-1-64, agente di commercio.
Lanzoni Daniele
Lanzoni Daniele
Il bello è che ci divertiamo con poche cazzate, e sai la classica … uno inizia una frase e l’altra la conclude?! Noi. Io e Sara. Dunque il giorno più bello di tutti è stato il 30 marzo 2014, quando me l’hanno presentata. Per carnevale, truccata da tigre. Mentre quello più brutto in realtà sono due, il 31 dicembre del 2013 quando ho dovuto far abbattere il mio vecchissimo meticcio Piper, e il giorno in cui si è impiccato un ragazzo di Occhiobello che giocava a calcio con noi, pochi mesi fa. Daniele Lanzoni,7-1-89, operaio in Montedison.
Lo Conte Antonio
Lo Conte Antonio
Il 4 ottobre del 2008 quando mi son trasferito da Caserta a qui per cercar fortuna, è stato il giorno più brutto di tutti per me. Dolorosissimo. Coi miei amici abbiam pianto tantissimo. Mi han fatto anche un video con tutti i nostri ricordi insieme. E’ stato straziante. Come invece è stato bellissimo il giorno che m’ han fatto la festa a sorpresa per il mio diciottesimo compleanno. La mia ragazza senza dirmi niente mi ha portato a cena in un ristorante e all’improvviso son saltati fuori loro. Striscioni, addobbi, regali. Una festa indimenticabile. E ovviamente non poteva mancare la bottigliona di falso Viagra come scherzo. Antonio Lo Conte, 10-2-90, tecnico industrie elettriche.
Lupato Davide
Lupato Davide
Parlavo già l'inglese ma volevo imparare anche un'altra lingua. Cosi', potendo scegliere tra l' Erasmus in Francia o in Spagna, ho scelto la prima., perchè sapevo che se fossi andato in Spagna non sarei più tornato, hèhèhè. E a Rennes è stato il periodo più bello della mia vita. Avevo 20 anni, ero spensierato, ho conosciuto gente, culture e cibi di tutto il mondo. Studiavo, imparavo, mi divertivo. Ho fatto di tutto, proprio di tutto, hèhèhè. Davide Lupato, 5-12- 84, impiegato di banca.
Maisto Massimo
Maisto Massimo
Da qualche mese, la gente con cui non ho confidenza, mi definisce raggiante di gioia. Mentre gli amici quel raggiante lo traducono - hai sempre un sorrisetto ebete. E son vere entrambe le cose. Da fine febbraio, ossia dal giorno dell’ incontro con Thaoly, il giorno più bello della mia vita, sono totalmente felice. Ci siam sposati 6 anni fa proprio per avere lo status giuridico per adottare. Cosi’, dopo un lunghissimo iter burocratico, da quando siamo andati in Vietnam e ce l’ hanno affidata vivo in uno stato intraducibile. A parte l’istinto di protezione immediato, sento sopratutto la meraviglia di questo crescere insieme che sarà, lei da bambina e io da adulto. Massimo Maisto, 26-2-68, vicesindaco con delega alla Cultura del comune di Ferrara.
Malavasi Riccardo
Malavasi Riccardo
Desiderio? Lavorare altri 10 anni e poi mando tutti in malora. Prendo una villetta al mare e 6 mesi all’ anno sto lì. Il giorno più bello? Quando ho giurato da avvocato. Anche se non esercito tantissimo, è stato il coronamento di anni e anni di sacrifici. Il periodo più brutto invece è stato intorno ai quaranta, venivo da un lungo periodo molto faticoso e la salute ne ha risentito. Ma è un ricordo che ho cancellato volentieri, è bastato scalare qualche marcia e non spingere come un somaro per riprendermi. Riccardo Malavasi, 5-10-72, imprenditore agricolo, insegnante, avvocato.
Malavasi Roberto
Malavasi Roberto
Maniezzi Monica
Maniezzi Monica
I giorni più belli per me son stati la nascita di Martina e Riccardo. Son passati 29 anni dalla prima volta e quindi non ricordo bene le sensazioni che provai in quelle 11 ore di travaglio. Ho in mente solo che mia figlia pesava 4 kili quando è nata, 4 kili! Mi vien da ridere ancora adesso a pensarci. E non c’era mica l’epidurale allora a toglierti il dolore. No, voglie durante la gravidanza non ne ho avute, ero aumentata 20 kili e quindi proprio non me le potevo permettere, sentivo solo la necessità di mangiare sano, di nutrirmi con le cose migliori. Monica Maniezzi, 23-5-62, casalinga.
Marco Sgarbi
Marco Sgarbi
Non muore vero?! Dimmi che non muore! E cosa puoi rispondere a tua moglie se non – No tranquilla – anche se provi lo stesso identico terrore che necessiterebbe di identico conforto?! L’anno scorso mia figlia di quasi un anno e mezzo, ha avuto una grave crisi respiratoria. In ospedale la collegano a una macchina per l’ossigeno e van via. Lei non migliora. Anzi, ad un certo punto mormora – Mamma aiuto - Ritornano gli infermieri, dicono che serve una macchina più potente, e spariscono. Il tempo passa, la macchina non arriva e Irma non si riprende. Vado a cercarli e mi assicurano che la macchina arriva, solo che è complicato montarla perché ci son troppi fili. Ma la macchina non arriverà mai. Sgomento, paura, rabbia, impotenza. Però Irma si riprende da sola dopo un’ora, nel giorno peggiore della mia vita. Forse sapevano che si sarebbe ripresa, forse per questo eran cosi’ tranquilli, ma noi che ne sapevamo?! Perché nessuno dice mai nulla alla gente in ospedale?! Marco Sgarbi, 22-9-78, attore.
Marcomin Luca
Marcomin Luca
Il regalo più singolare che le ho fatto è stato per il terzo mese di fidanzamento. Un cuscino a forma di cuore con sopra la foto di noi che ci baciavamo. Le è piaciuto tanto. Sto bene con Sara, quando l’ho conosciuta è stato il giorno più bello di tutti per me. E anche se in passato ci son stati dei tira e molla, e qualche volta mi manca un po’ di non stare coi miei amici, il desiderio che ho è di andare a vivere con lei. Ma lavoro solo io quindi serve che Sara finisca la scuola, se no con un lavoro solo si fa fatica. Luca Marcomin, 22-11-94, magazziniere.
Marcomin Maurizio
Marcomin Maurizio
Per l’operazione a cuore aperto, durata 7 ore, mi ero preparato psicologicamente e quindi non avevo paura. Son andato sotto i ferri pensando ai problemi che avrebbero avuto i miei. Siamo un’azienda famigliare, non possiamo stare male quando vogliamo. Così, da capofamiglia, ero preoccupato il lavoro. Ma tramite cellulare e computer, fino ad un’ora prima dell’operazione e per i 6 mesi successivi (2 di ospedale e 4 di riabilitazione) ho sempre lavorato, seppur in forma ridotta. Comunque i giorni di quell’inizio 2015 sono stati i peggiori della mia vita e mi hanno insegnato a prendere tutto con più calma, anche se adesso purtroppo, data la situazione di crisi in Italia, per starci dentro, ho dovuto accelerare di nuovo. Maurizio Marcomin, 17-1-58, commerciante settore informatica.
Mariotti Marcello
Mariotti Marcello
Desideri? Tre anni di felicità! Ne ho avuti così pochi che mi accontento di tre. Marcello Mariotti, 30-8-75, libero professionista nel settore immobiliare.
Melloni Mariuccia 1
Melloni Mariuccia 1
Anche se il travaglio è stata una cosa devastante, al punto che il ginecologo scherzando mi ha detto – Signora, la prossima volta che intende partorire me lo dica, cosiì prendo le ferie - i giorni più belli della mia vita son stati la nascita delle mie figlie. Due gioie e due gravidanze completamente diverse: la prima appunto faticosissima e 2 mesi e mezzo a letto. La seconda direi quasi una passeggiata: ho guidato fino a mezzogiorno della sera che partorii. Mariuccia Melloni, 27-9-68, casalinga.
Montagnana Lorenza
Montagnana Lorenza
Neri Gianluca
Neri Gianluca
Il mio giorno più bello si collega a quello peggiore, quando passai una notte intera senza parole davanti allo schermo del computer, avendo saputo che c'erano pochissime possibilità di diventare padre. Invece mesi dopo, a Riva del Garda, la mia compagna mi rivelò di essere incinta del primo dei nostri due figli. Un altro giorno bello fu quando, dopo aver venduto Clarence con Roberto Grassilli, andai al bancomat e ci trovai un po' di soldi, capendo che finalmente potevo mantenermi da solo. Un altro brutto fu quando finii nei casini e scoprii che gli amici eran molti meno di quello che credevo, eppure era gente di casa. Cosa desidero? Qualcosa di irraggiungibile forse: serenità. Gianluca Neri, 23-6-71, blogger.
Onnis Alessandro
Onnis Alessandro
La prima volta che ho messo i piedi in acqua al mare è stato un giorno bellissimo, il più bello di tutti forse. Ero bambino, d’estate, a Cagliari. Il contatto con l’acqua mi ha dato una spensieratezza che credo, spero, di conservare per tutta la vita. Cosa desidero? Di continuare ciò che faccio mantenendo la mia identità di ragazzo di campagna. Alessandro Onnis, 14-6-87, persona stupenda per autodefinizione e inviato delle Iene.
Ottoboni Alessandro
Ottoboni Alessandro
Ci sentivamo invincibili a 24 anni. Non avevamo paura di nulla e non ci era mai successo mai niente, anche tornando a orari improponibili. Per questo, quando è morto Luca, uno della nostra compagnia, andando nel fosso di notte con la macchina, è stato il giorno più brutto della mia vita. E’ stato il primo impatto con la morte di una persona cara e ovviamente ha modificato la percezione delle cose rispetto a prima. Alessandro Ottoboni, 14-3-79, commerciante nel settore pavimenti.
Paiato Maria
Paiato Maria
La capisco, ero giovanissima, ma mentre per mia madre la notizia significò dolore e preoccupazione, per me fu solo una totale, immensa felicità! Settembre di 34 anni fa, con lei e mia cugina stavam guardando Dallas, quando: teee!! Suona il campanello e si sente - Telegrammma! - M’avevan preso all’Accademia di arte drammatica nazionale Silvio d’Amico, a Roma. Un sogno. La mia vita svoltava. Il pomeriggio che mi è arrivato quel pezzettino di carta giallo ha deciso il mio futuro ed è stato il giorno più bello della mia vita. Maria Paiato, 8-5-61, attrice.
Palmieri Nina
Palmieri Nina
Giorno più bello della mia vita? Tutte le volte che mi son resa conto di essermi innamorata. Ma ho anche un “ giorno bello lungo 15 giorni “ : quelli passati a Los Angeles per seguire le Special Olympics, le olimpiadi per disabili mentali. Un esperienza incredibile che tutti dovrebbero fare. Giornopiu' brutto? Quando ho perso mia nonna Fedora. Desiderio? Svegliarmi in un posto dove fare surf tutte le mattine! Nina Palmieri, 22-3-76, cantastorie e inviata delle Iene.
Partesani Matteo
Partesani Matteo
Giorno più bello della mia vita? Maah, non saprei. Giorno più brutto?...Mmmm adesso non mi viene in mente. Desideri? Mmm…non saprei. Ah sì, fare soldi! Matteo Partesani, 5-12-95, programmatore informatico.
Poletti Elena
Poletti Elena
C’ ho pensato…e devo dire che un periodo brutto non l’ho mai avuto. Non ho lutti che mi abbiano devastato. Solo cose superficiali: un esame andato a male, una delusione affettiva, ma niente di straziante. Invece il giorno più bello è stato quando mi son laureata al triennio. Temevo di non essere all’ altezza, di deludere le aspettative dei miei e invece cosi’ non è stato. Elena Poletti, 25-2-92, studentessa di economia, settore gestione e legislazione d’impresa.
Rocca Natale
Rocca Natale
Non li hai mai visti?! Ah…iè un piaser! Du ciacarin chi stà mai ziti! I miei nipoti sono la mia gioia, non è che desideri molto altro. Metar a post i me fio’, salut par lor e tuta la me famija e riusir ad andar in pension! Ac son cascà dentar con ot ani grazie ala Fornero, e quindi adess am in toca ancora cinq da laurar. Natale Rocca, 24-12-56, produzione in un’azienda del settore plastica.
Rovati Giovanni
Rovati Giovanni
Il giorno più bello? Il giorno che ho conosciuto Osanna alla festa dell' Unità, ballando il liscio. Per la precisione walzer e mazurka. Piano piano ci siamo frequentati e sono 32 anni che stiamo assieme. No, non ero un gran ballerino, inizi con i soliti fai da te e poi in coppia ti perfezioni. Giovanni Rovati, 31-1-58, artigiano termoelettrico.
Sabbagh Mustafa
Sabbagh Mustafa
Il mio giorno più bello? Oggi! Sempre l’oggi. Quello più brutto? Ancora l’oggi, per quello che accade intorno a noi. Voglie? Eee mi cogli in contropiede… mi sento di parlarti di obbiettivi non di voglie…sopravvivere forse. Mustafa Sabbagh, 4-4-61, fotografo.
Sarnataro Mary
Sarnataro Mary
Mary Sarnataro, attrice e inviata delle Iene, non ha tempo di rispondere a quale sian stati i giorni suoi più belli, quelli più brutti e quale sia il desiderio che porta nel cuore.
Scarpa Tiziano
Scarpa Tiziano
Giorno più brutto?. Temo molto le notti bruttissime quando mi sveglio alle tre e mi vengono pensieri neri. Desiderio? Fare qualcosa che resti Giorno più bello della mia vita? Sono contro i superlativi relativi. Non "il giorno più bello”, ma “molti giorni bellissimi”: quando ho conosciuto il mio amore, quando l’ho sposata, quando mi infervoro scrivendo un libro…Tiziano Scarpa, 16-5-63, aspirante scrittore.
Scavazza Daniela
Scavazza Daniela
Io lo chiamavo l’invincibile, mio fratello maggiore. Era forte Orlando, sapeva fare tutto e non si ammalava mai. Fumava 3 pacchetti al giorno e lavorava in carrozzeria, verniciando senza usare la mascherina. Cosi’ è morto presto, a 56 anni, di tumore alla gola, e il desiderio che ho e che lui resusciti…ma non è possibile purtroppo. Daniela Scavazza, 4-11-60, operaia tessile cucitrice a mano.
Volpe Luigi
Volpe Luigi
Desideri? No lasa stare, no ne gho de desideri, dele voie si’ ma non stagho a dirtale…ah si’… de far morire un po’ de zente ch’ a diria mi! Luigi Volpe, 23-9-59, operaio saldatore.
Zampini Sergio
Zampini Sergio
Ho avuto tutto un periodo bellissimo , non un giorno solo. Ed è durato da quando avevo 6-7 anni ai 22-23. Sono contentissimo di quello che ho fatto e avuto allora. Mentre come giorni brutti ricordo la morte di mia madre e di mio zio Ivano. E poi il periodo che ho passato in carcere ai Piombi , per accuse da cui sono poi risultato assolto. Mi hanno tenuto quasi un mese in condizioni disumane solo perché volevano coinvolgessi altre persone. Per fortuna la mia famiglia e la gente con cui lavoravo mi hanno sostenuto tanto , non so se c’è l’avrei fatta a superare quella fase senza di loro. Desideri? Che mio nipotino si realizzi e abbia una vita felice e svernare sul Tirreno perché il clima padano mi deprime. Sergio Zampini 21/02/1951 consulente d’impresa.
Zanconato Paola
Zanconato Paola
Di 42 anni passati al lavoro direi che la maggior parte l’ho fatta in piedi. Sempre in piedi! E quindi quest’anno: il 31 ottobre 2016, quando andrò in pensione, sarà proprio il giorno più bello della mia vita. Certo anche quando è nato Luca è stato importante e bellissimo, ma ormai lui è grande e sta bene, e quindi è il momento di dedicare tempo a me stessa. Ho problemi alla schiena ovviamente, devo fare della piscina. Paola Zanconato, 31-8-60, operaia tessile.
Zanella Isabella
Zanella Isabella
Pensa, ancora dopo 40 anni, quando devo attraversare la strada non mi sento sicura, mi è rimasta quella cosa lì. Era novembre, all’ imbrunire, stavo attraversando la provinciale con la bicicletta, senonché una macchina con la ruota davanti mi ha scagliato a terra. Tanto shock, una clavicola rotta, ed eccoti il giorno peggiore della mia vita. Mentre quello più bello è stato la nascita di mia sorellina. Metticelo eh! Isabella Zanella, 7-10-73, operaia tessile, specialità asole e bottoni.
Zanella Massimo
Zanella Massimo
Nostro figlio speciale è come una scatola, che se tu ci rumi dentro tiri fuori cose bellissime! Alla faccia di quei sanitari dell’Asl che molti anni fa dicevano che ce lo dovevam tenere così. Thomas intanto, pur con la sua disabilità, sa scrivere e leggere al computer. E ciò che noi genitori desideriamo è la sua autonomia e la sua integrazione. Che possa riuscire da solo anche quando noi non ci saremo più. Il comune e la gente di Stienta ci hanno molto aiutati, ma come sai c’è una burocrazia terribile. Per dirti: lo stato gli passava una piccola pensioncina, che però adesso viene considerata come reddito famigliare e quindi dobbiam pagare più tasse. Massimo Zanella, 28-5-72, operaio serramentista.
Barca Stefano

Il mio giorno piu' bello? Maial che domanda...forse quando sono andato a Londra nel 2011. Ho avuto culo, dopo 6 giorni ho trovato lavoro, e dopo 15 la palestra che faceva per me. Senza sport infatti non riesco a stare. Il desiderio che ho? Tornare li'. E' uno Stato organizzato, un'altra mentalità. Ti dicom solo che non ho mai visto un treno arrivare in ritardo. Andrei proprio, ma l' anno scorso mi hanno ritirato la patente e quindi è partita tutta una struma che durerà 4-5 anni., per cui devo star qui. Quello è stato il giorno piu' brutto per me. Avevo appena più di 0,80, ma è scattato il penale. Una pippa infinita. Stefano Barca, 22-9-80, cameriere e insegnante di arti marziali.

Bellinati Giovanna

Giorni brutti? Eee...ho abbondanza di scelta…diciamo quando è morta mia madre e son rimasta orfana, dato che mio padre l’avevo perso quando avevo 4 anni e mezzo. E ti dico una cosa strana. Dopo 40 anni abbiam dovuto esumarlo: beh era intatto! Saponificato han detto. Si vedevan i capelli tirati indietro, i baffetti, la cravatta. Non so se è quella zona del cimitero a causare quell’effetto, ma Io ho pensato che avesse voluto che lo vedessi com’era veramente, dato che i miei ricordi eran vaghissimi. Giovanna Bellinati, 26-1-64, gerente di una palestra.

Bertasi Fabio

Il giorno più bello? Sull’ aia, da solo, in una mattinata di primavera. Avevo 3 anni, c’era il sole e si vedevan le montagne. E’ stato un flash indimenticabile: per la prima volta ho avuto la sensazione di essere al mondo e di starci dentro. Mentre il giorno più brutto è stato quando a 12 anni mi è morto York. Da figlio unico lo vedevo un po’ come un fratello di un’altra razza e non avendo precedenti lutti in famiglia quello è stato il primo incontro con la morte. Poi mi sentivo in colpa, me ne ero andato in giro lasciando il cancello aperto, e lui seguendomi era finito sotto una macchina. Ma non lo trovammo subito, in più dovevam partire per le vacanze e lui non tornava. Uno strazio. Fabio Bertasi, 27-1-70, biologo.

Bonatti Alberto

Beh, quando son riuscito a fare della mia passione un lavoro è stato un giorno bellissimo. Era il ’95 e ho venduto le mie prime foto per un catalogo della Irsab! Di conseguenza il desiderio- speranza che ho è che tutti abbian la possibilità di realizzare i propri sogni. Bisogna crederci! Non aver paura dei gufi malefici che dicon che non ce la farai mai. Se ci credi, può funzionare! Mentre i giorni più brutti per me son stati quando son morti i miei genitori, avevo un buon rapporto con loro, son stato fortunato. Alberto Bonatti,20-1-63, fotografo.

Bonazza Andrea

Il giorno più bello è collegato con quello più brutto, che è stato quando è morta mia madre, nel 2000 a 51 anni, per via di un tumore intestinale. Sette mesi di calvario, dato che anche la morfina non faceva più effetto. Ma sette mesi in cui abbiam avuto la fortuna di riuscire a dirci tutto quello che avevamo da dire. E lei appunto mi ha consigliato di fare un figlio, sostenendo che la cosa più bella per lei ero stato io. Ha avuto ragione, l’arrivo di Zoe per me è la cosa più fantastica di tutte. Andrea Bonazza, 13-10-70, farmacista.Il giorno più bello è collegato con quello più brutto, che è stato quando è morta mia madre, nel 2000 a 51 anni, per via di un tumore intestinale. Sette mesi di calvario, dato che anche la morfina non faceva più effetto. Ma sette mesi in cui abbiam avuto la fortuna di riuscire a dirci tutto quello che avevamo da dire. E lei appunto mi ha consigliato di fare un figlio, sostenendo che la cosa più bella per lei ero stato io. Ha avuto ragione, l’arrivo di Zoe per me è la cosa più fantastica di tutte. Andrea Bonazza, 13-10-70, farmacista.

Borghi Francesco

Eeee…mm…mmh…forse il matrimonio di mio cugino nel 2007 è stato il giorno più bello della mia vita. Perchè anche se abita in Liguria ed è parecchio più grande di me ci vediamo spesso. Lui ha trovato in mia mamma una seconda mamma e in me e mia sorella quasi due fratelli minori. Francesco Borghi, 13-2-92, studente di chimica all’ università.

Bugaro Romolo

Il periodo più bello potrebbe essere questo credo. 54 anni e la sensazione di essere abbastanza vicino a me stesso, abbastanza distante dalle cose che mi facevano star male o malissimo una volta. Il periodo più brutto sono infiniti frammenti di periodo, decessi separazioni delusioni errori incomprensioni viltà stupidaggini leggerezze crudeltà debolezze incertezze cattiverie vere. Frammenti sparsi, disseminati. Nessuno vince sugli altri. Romolo Bugaro, 3-11-62, scrittore e avvocato.

Caselli Katia

Giorno bello: il giorno in cui è nata mia figlia. L' ho guardata, l' ho tenuta tra le braccia, e ho scoperto l' amore incondizionato. Giorno brutto: deve ancora venire. Desiderio: che la famosa intelligenza dell’ essere umano si manifesti. Da come tratta la sua casa e la terra, forse bisognerebbe rivedere il concetto. Katia Caselli, 29-6-68, infermiera.

Corazzari Alex

E’ impossibile che sia uscito dalla pancia di mia madre - pensavo. Desideravo tanto un fratellino, e quando è nato è stato il giorno più bello di tutti per me. Ma avevo 11 anni e vedendolo per la prima volta all’ ospedale non mi capacitavo proprio. Un altro giorno bellissimo è stato quando ho conosciuto la mia fidanzata. Quello più brutto a marzo di quest’anno: si è impiccato un ragazzo che giocava a calcio con noi. Ho provato un grande rammarico per non aver capito le sue reali condizioni e quindi per non aver potuto far qualcosa in più per lui, ma poi chissà…dentro la testa della gente non ci sei. Alex Corazzari,13-10-88, imprenditore settore edile.

Corazzari Marica

Grazie a questi cretini, scusa il termine, a questi malati di mente, adesso viaggiare è diventato pericoloso con tutti 'sti attentati. E il mio desiderio fisso è appunto quello di viaggiare: ovunque. Anche andando a scoprire le bellezze dietro l' angolo. Ma adesso rischi la vita se vuoi andare a vedere le cose. Marica Corazzari, 20-1-87, impiegata settore trasporti.

Corti Stefano

Ti dico solo che dalle finestre del mio monolocale interrato si vedevan giusto i bidoni della spazzatura, niente altro. E quindi, tralasciando i lutti famigliari, un periodo molto brutto per me è stato proprio in quegli anni. Finito il lavoro nei villaggi turistici, come intrattenitore, tenevo tanti sogni ma poche possibilità economiche, perché lavoravo in un call-center per permettermi di studiare teatro. E’ stato molto difficile. Però poi son riuscito. Stefano Corti, 18-7-85, intrattenitore e inviato delle Iene.

Dall Ara Paola

No no hehhè non ho voglie, son tranquilla! Una speranza? Vivere il più possibile e arrivare ai cent’anni! Certo che ho paura di invecchiare, tutti abbiamo quel problema, tutti i giorni c’è una nuova ruga. Però: creme, cremine, estetista, io cerco di tirarmi su, hehhè. I giorni più belli? Quando son nati i miei bimbi. Mentre il più brutto quando è morta mia madre. Avevo solo 11 anni e mio padre poi ha portato in casa una donna che io e mio fratello non sopportavamo. Cosi’ appena abbiam potuto siam andati via e ora son 5 anni che non lo sentiamo. Paola Dall’Ara, 18-3-76, stiratrice.

Fornasiero Franco

Siam simili ai maiali, per questo mi han riparato la valvola del cuore col tessuto di quell’animale. Ed è stata la mia fortuna, perché se me la sostituivano dopo 10 anni dovevo cambiarla, invece riparata col maiale dura molto di più. Ma il giorno prima dell’operazione, sotto Natale, con tutti allegri, io … un pensiero, una paura! Quello è stato il giorno più brutto. Come desiderio vorrei tanto andare in Sardegna. Degli amici, con cui ho fatto il militare da giovane, mi dicon sempre - Vieni,vieni! Mi son quasi innamorato di quelle parole, e mi piacerebbe per la prima volta prender un aereo o una nave. Solo che la suocera ha 89 anni, non possiam lasciarla sola. Franco Fornasiero, 31-10-48, magazziniere in pensione.

Forti Giorgio

Desideri…desideri… io vorrei che fossero tutti più buoni nel mondo. Ritornare un attimino a volerci bene. Essere più uniti! Aiutarsi! Darsi una mano! Invece ci stanno volutamente creando attorno il caos! Che giova ai loro interessi ma non alle persone! E cosi’ c’è troppa cattiveria e odio. Viviamo male! Con l’ansia e il terrore per i nostri figli! Una volta non era così! Giorgio Forti, 6-6-74, idraulico artigiano.

Forti Riccardo1 (1)

Era molto solare Andrea. Ti metteva a tuo agio. Era discreto ma anche molto scherzoso. Pensa che una volta lui e Framba, al lido di Dante, parcheggiata l’ auto, mi dissero di andare avanti che poi mi avrebbero raggiunto. E io vado, ma arrivato in spiaggia non capisco, son l’unico col costume. Mi avevan spedito in un centro nudista senza dirmelo, hehhè. Ogni tanto penso a lui: che voleva prendersi una casa in Polonia da quanto gli piaceva quella nazione, che quando stava male voleva un’acqua particolare che son riuscito a trovargli. Lo ricordo sì. Il giorno della sua morte, a seguito di un cancro, insieme a quello della morte improvvisa di mio zio, son stati i più brutti della mia vita. Riccardo Forti, 12-1-65, lavoratore parasubordinato alla facoltà di Legge.

Franzot Jessica

Il mio sogno? Avere più sicurezze economiche, visto che mio marito in 9 anni ha avuto solo occupazioni saltuarie. E questo si collega col giorno più brutto della mia vita: 9 mesi fa, mia madre, davanti ai bambini, mi ha fatto una scenata terribile per via che lui non lavora. Io le ho dato della stronza e da allora anche mio padre non ci parla più. Non abbiam mai avuto un bel rapporto, ma adesso son molto preoccupata visto che anche mia nonna e le mie zie li hanno allontanati e neanche i nipoti vedono. Lei è solo sessantenne ma secondo me quando mi ha partorito le s’è bloccata la crescita. Jessica Franzot, 4-1-64, tecnica di laboratorio.

Furini Claudio

Al di’ più bel par mi l’è sta’ quand ch’ am son congedà! L’otto gennaio dell’ottantadue. Non volevo proprio farlo il militare, stavo bene a casa mia. Anche se la ferma era qui vicino, a 70 kilometri dalla mia famiglia, mi ero impuntato di non farlo. Lo ritenevo assolutamente inutile. Però alla fine mi è servito, ho imparato a stare in mezzo alla gente, a farmi i miei interessi e ad evitare le brutte compagnie. In pratica a diventar grande. Claudio Furini, 1-8-61, metalmeccanico.

Ghidotti Monica

Ho voluto tanto una figlia, proprio per chiamarla come mia madre Fiorenza, morta di tumore alle ovaie a soli 34 anni, dopo 11 mesi di agonia. Io stavo per diventare maggiorenne allora, lavoravo in un’azienda tessile, avevo due fratellini piccoli a cui badare, e un padre che continuava a portare donne in casa che non andavan bene a nessuno. Quel periodo è stato proprio terribile, solo mia nonna paterna a darmi una mano. Però è passato, e il giorno più bello è stato appunto quando è nata sana mia figlia femmina. Monica Ghidotti, 19-11-73, casalinga.

Giuriola Antonella

Non per il fatto di arrivare… ma per il modo in cui ci si arriva. E quindi per l’intesa che ci deve essere col tuo compagno di arrampicata… e per l’attenzione che devi prestare a tutti i rumori e a tutti i gesti… e per il tempo limitato che avevamo, visto che stava arrivando il temporale, e dunque per le paure superate e la fatica che ti rimane. Mai avrei immaginato nella vita, mai, che il giorno più bello di tutti per me, sarebbe stato durante la salita alla cima grande di Lavaredo. Sei ore di lotta con i propri limiti, e un grande senso di equilibrio interiore poi, nel luglio di dieci anni fa. Antonella Giuriola, 18-10-59, bibliotecaria.

Guerzoni Fabio

Maaa... la prima volta che andai a San Siro direi che è stato il giorno più bello della mia vita. Lo stadio che ti tremava sotto i piedi... il boato continuo... il tifo... ma anche il 4 a 0 che abbiamo rifilato al Milan nel primo derby di stagione. Era il 2009, quell’anno l’Inter vinse tutto. Fabio Guerzoni, 23-5-95, assistente alla poltrona studio dentistico.

Guidi Massimo

Fare il giro di tutte le spiagge del mondo! Ecco il desiderio che ho se potessi. Il giorno più brutto per me è stato nel ’99, quando da Rayban siam passati al gruppo Luxottica. Tutto apposto ci dicevamo, meglio di Luxottica non c’è niente. Invece…dopo 15 giorni tutta la rete vendita, me compreso, è stata messa a casa. Senza alcuna spiegazione. E dal 2000 i Rayban han cannibalizzato il mercato per più di una dozzina d’anni. Nel 2003 dei rappresentanti di Rayban hanno incassato anche 900.000 euro di provvigione. Massimo Guidi, 22-1-64, agente di commercio.

Lanzoni Daniele

Il bello è che ci divertiamo con poche cazzate, e sai la classica … uno inizia una frase e l’altra la conclude?! Noi. Io e Sara. Dunque il giorno più bello di tutti è stato il 30 marzo 2014, quando me l’hanno presentata. Per carnevale, truccata da tigre. Mentre quello più brutto in realtà sono due, il 31 dicembre del 2013 quando ho dovuto far abbattere il mio vecchissimo meticcio Piper, e il giorno in cui si è impiccato un ragazzo di Occhiobello che giocava a calcio con noi, pochi mesi fa. Daniele Lanzoni,7-1-89, operaio in Montedison.

Lo Conte Antonio

Il 4 ottobre del 2008 quando mi son trasferito da Caserta a qui per cercar fortuna, è stato il giorno più brutto di tutti per me. Dolorosissimo. Coi miei amici abbiam pianto tantissimo. Mi han fatto anche un video con tutti i nostri ricordi insieme. E’ stato straziante. Come invece è stato bellissimo il giorno che m’ han fatto la festa a sorpresa per il mio diciottesimo compleanno. La mia ragazza senza dirmi niente mi ha portato a cena in un ristorante e all’improvviso son saltati fuori loro. Striscioni, addobbi, regali. Una festa indimenticabile. E ovviamente non poteva mancare la bottigliona di falso Viagra come scherzo. Antonio Lo Conte, 10-2-90, tecnico industrie elettriche.

Lupato Davide

Parlavo già l'inglese ma volevo imparare anche un'altra lingua. Cosi', potendo scegliere tra l' Erasmus in Francia o in Spagna, ho scelto la prima., perchè sapevo che se fossi andato in Spagna non sarei più tornato, hèhèhè. E a Rennes è stato il periodo più bello della mia vita. Avevo 20 anni, ero spensierato, ho conosciuto gente, culture e cibi di tutto il mondo. Studiavo, imparavo, mi divertivo. Ho fatto di tutto, proprio di tutto, hèhèhè. Davide Lupato, 5-12- 84, impiegato di banca.

Maisto Massimo

Da qualche mese, la gente con cui non ho confidenza, mi definisce raggiante di gioia. Mentre gli amici quel raggiante lo traducono - hai sempre un sorrisetto ebete. E son vere entrambe le cose. Da fine febbraio, ossia dal giorno dell’ incontro con Thaoly, il giorno più bello della mia vita, sono totalmente felice. Ci siam sposati 6 anni fa proprio per avere lo status giuridico per adottare. Cosi’, dopo un lunghissimo iter burocratico, da quando siamo andati in Vietnam e ce l’ hanno affidata vivo in uno stato intraducibile. A parte l’istinto di protezione immediato, sento sopratutto la meraviglia di questo crescere insieme che sarà, lei da bambina e io da adulto. Massimo Maisto, 26-2-68, vicesindaco con delega alla Cultura del comune di Ferrara.

Malavasi Riccardo

Desiderio? Lavorare altri 10 anni e poi mando tutti in malora. Prendo una villetta al mare e 6 mesi all’ anno sto lì. Il giorno più bello? Quando ho giurato da avvocato. Anche se non esercito tantissimo, è stato il coronamento di anni e anni di sacrifici. Il periodo più brutto invece è stato intorno ai quaranta, venivo da un lungo periodo molto faticoso e la salute ne ha risentito. Ma è un ricordo che ho cancellato volentieri, è bastato scalare qualche marcia e non spingere come un somaro per riprendermi. Riccardo Malavasi, 5-10-72, imprenditore agricolo, insegnante, avvocato.

Maniezzi Monica

I giorni più belli per me son stati la nascita di Martina e Riccardo. Son passati 29 anni dalla prima volta e quindi non ricordo bene le sensazioni che provai in quelle 11 ore di travaglio. Ho in mente solo che mia figlia pesava 4 kili quando è nata, 4 kili! Mi vien da ridere ancora adesso a pensarci. E non c’era mica l’epidurale allora a toglierti il dolore. No, voglie durante la gravidanza non ne ho avute, ero aumentata 20 kili e quindi proprio non me le potevo permettere, sentivo solo la necessità di mangiare sano, di nutrirmi con le cose migliori. Monica Maniezzi, 23-5-62, casalinga.

Marco Sgarbi

Non muore vero?! Dimmi che non muore! E cosa puoi rispondere a tua moglie se non – No tranquilla – anche se provi lo stesso identico terrore che necessiterebbe di identico conforto?! L’anno scorso mia figlia di quasi un anno e mezzo, ha avuto una grave crisi respiratoria. In ospedale la collegano a una macchina per l’ossigeno e van via. Lei non migliora. Anzi, ad un certo punto mormora – Mamma aiuto - Ritornano gli infermieri, dicono che serve una macchina più potente, e spariscono. Il tempo passa, la macchina non arriva e Irma non si riprende. Vado a cercarli e mi assicurano che la macchina arriva, solo che è complicato montarla perché ci son troppi fili. Ma la macchina non arriverà mai. Sgomento, paura, rabbia, impotenza. Però Irma si riprende da sola dopo un’ora, nel giorno peggiore della mia vita. Forse sapevano che si sarebbe ripresa, forse per questo eran cosi’ tranquilli, ma noi che ne sapevamo?! Perché nessuno dice mai nulla alla gente in ospedale?! Marco Sgarbi, 22-9-78, attore.

Marcomin Luca

Il regalo più singolare che le ho fatto è stato per il terzo mese di fidanzamento. Un cuscino a forma di cuore con sopra la foto di noi che ci baciavamo. Le è piaciuto tanto. Sto bene con Sara, quando l’ho conosciuta è stato il giorno più bello di tutti per me. E anche se in passato ci son stati dei tira e molla, e qualche volta mi manca un po’ di non stare coi miei amici, il desiderio che ho è di andare a vivere con lei. Ma lavoro solo io quindi serve che Sara finisca la scuola, se no con un lavoro solo si fa fatica. Luca Marcomin, 22-11-94, magazziniere.

Marcomin Maurizio

Per l’operazione a cuore aperto, durata 7 ore, mi ero preparato psicologicamente e quindi non avevo paura. Son andato sotto i ferri pensando ai problemi che avrebbero avuto i miei. Siamo un’azienda famigliare, non possiamo stare male quando vogliamo. Così, da capofamiglia, ero preoccupato il lavoro. Ma tramite cellulare e computer, fino ad un’ora prima dell’operazione e per i 6 mesi successivi (2 di ospedale e 4 di riabilitazione) ho sempre lavorato, seppur in forma ridotta. Comunque i giorni di quell’inizio 2015 sono stati i peggiori della mia vita e mi hanno insegnato a prendere tutto con più calma, anche se adesso purtroppo, data la situazione di crisi in Italia, per starci dentro, ho dovuto accelerare di nuovo. Maurizio Marcomin, 17-1-58, commerciante settore informatica.

Mariotti Marcello

Desideri? Tre anni di felicità! Ne ho avuti così pochi che mi accontento di tre. Marcello Mariotti, 30-8-75, libero professionista nel settore immobiliare.

Melloni Mariuccia 1

Anche se il travaglio è stata una cosa devastante, al punto che il ginecologo scherzando mi ha detto – Signora, la prossima volta che intende partorire me lo dica, cosiì prendo le ferie - i giorni più belli della mia vita son stati la nascita delle mie figlie. Due gioie e due gravidanze completamente diverse: la prima appunto faticosissima e 2 mesi e mezzo a letto. La seconda direi quasi una passeggiata: ho guidato fino a mezzogiorno della sera che partorii. Mariuccia Melloni, 27-9-68, casalinga.

Neri Gianluca

Il mio giorno più bello si collega a quello peggiore, quando passai una notte intera senza parole davanti allo schermo del computer, avendo saputo che c'erano pochissime possibilità di diventare padre. Invece mesi dopo, a Riva del Garda, la mia compagna mi rivelò di essere incinta del primo dei nostri due figli. Un altro giorno bello fu quando, dopo aver venduto Clarence con Roberto Grassilli, andai al bancomat e ci trovai un po' di soldi, capendo che finalmente potevo mantenermi da solo. Un altro brutto fu quando finii nei casini e scoprii che gli amici eran molti meno di quello che credevo, eppure era gente di casa. Cosa desidero? Qualcosa di irraggiungibile forse: serenità. Gianluca Neri, 23-6-71, blogger.

Onnis Alessandro

La prima volta che ho messo i piedi in acqua al mare è stato un giorno bellissimo, il più bello di tutti forse. Ero bambino, d’estate, a Cagliari. Il contatto con l’acqua mi ha dato una spensieratezza che credo, spero, di conservare per tutta la vita. Cosa desidero? Di continuare ciò che faccio mantenendo la mia identità di ragazzo di campagna. Alessandro Onnis, 14-6-87, persona stupenda per autodefinizione e inviato delle Iene.

Ottoboni Alessandro

Ci sentivamo invincibili a 24 anni. Non avevamo paura di nulla e non ci era mai successo mai niente, anche tornando a orari improponibili. Per questo, quando è morto Luca, uno della nostra compagnia, andando nel fosso di notte con la macchina, è stato il giorno più brutto della mia vita. E’ stato il primo impatto con la morte di una persona cara e ovviamente ha modificato la percezione delle cose rispetto a prima. Alessandro Ottoboni, 14-3-79, commerciante nel settore pavimenti.

Paiato Maria

La capisco, ero giovanissima, ma mentre per mia madre la notizia significò dolore e preoccupazione, per me fu solo una totale, immensa felicità! Settembre di 34 anni fa, con lei e mia cugina stavam guardando Dallas, quando: teee!! Suona il campanello e si sente - Telegrammma! - M’avevan preso all’Accademia di arte drammatica nazionale Silvio d’Amico, a Roma. Un sogno. La mia vita svoltava. Il pomeriggio che mi è arrivato quel pezzettino di carta giallo ha deciso il mio futuro ed è stato il giorno più bello della mia vita. Maria Paiato, 8-5-61, attrice.

Palmieri Nina

Giorno più bello della mia vita? Tutte le volte che mi son resa conto di essermi innamorata. Ma ho anche un “ giorno bello lungo 15 giorni “ : quelli passati a Los Angeles per seguire le Special Olympics, le olimpiadi per disabili mentali. Un esperienza incredibile che tutti dovrebbero fare. Giornopiu' brutto? Quando ho perso mia nonna Fedora. Desiderio? Svegliarmi in un posto dove fare surf tutte le mattine! Nina Palmieri, 22-3-76, cantastorie e inviata delle Iene.

Partesani Matteo

Giorno più bello della mia vita? Maah, non saprei. Giorno più brutto?...Mmmm adesso non mi viene in mente. Desideri? Mmm…non saprei. Ah sì, fare soldi! Matteo Partesani, 5-12-95, programmatore informatico.

Poletti Elena

C’ ho pensato…e devo dire che un periodo brutto non l’ho mai avuto. Non ho lutti che mi abbiano devastato. Solo cose superficiali: un esame andato a male, una delusione affettiva, ma niente di straziante. Invece il giorno più bello è stato quando mi son laureata al triennio. Temevo di non essere all’ altezza, di deludere le aspettative dei miei e invece cosi’ non è stato. Elena Poletti, 25-2-92, studentessa di economia, settore gestione e legislazione d’impresa.

Rocca Natale

Non li hai mai visti?! Ah…iè un piaser! Du ciacarin chi stà mai ziti! I miei nipoti sono la mia gioia, non è che desideri molto altro. Metar a post i me fio’, salut par lor e tuta la me famija e riusir ad andar in pension! Ac son cascà dentar con ot ani grazie ala Fornero, e quindi adess am in toca ancora cinq da laurar. Natale Rocca, 24-12-56, produzione in un’azienda del settore plastica.

Rovati Giovanni

Il giorno più bello? Il giorno che ho conosciuto Osanna alla festa dell' Unità, ballando il liscio. Per la precisione walzer e mazurka. Piano piano ci siamo frequentati e sono 32 anni che stiamo assieme. No, non ero un gran ballerino, inizi con i soliti fai da te e poi in coppia ti perfezioni. Giovanni Rovati, 31-1-58, artigiano termoelettrico.

Sabbagh Mustafa

Il mio giorno più bello? Oggi! Sempre l’oggi. Quello più brutto? Ancora l’oggi, per quello che accade intorno a noi. Voglie? Eee mi cogli in contropiede… mi sento di parlarti di obbiettivi non di voglie…sopravvivere forse. Mustafa Sabbagh, 4-4-61, fotografo.

Sarnataro Mary

Mary Sarnataro, attrice e inviata delle Iene, non ha tempo di rispondere a quale sian stati i giorni suoi più belli, quelli più brutti e quale sia il desiderio che porta nel cuore.

Scarpa Tiziano

Giorno più brutto?. Temo molto le notti bruttissime quando mi sveglio alle tre e mi vengono pensieri neri. Desiderio? Fare qualcosa che resti Giorno più bello della mia vita? Sono contro i superlativi relativi. Non "il giorno più bello”, ma “molti giorni bellissimi”: quando ho conosciuto il mio amore, quando l’ho sposata, quando mi infervoro scrivendo un libro…Tiziano Scarpa, 16-5-63, aspirante scrittore.

Scavazza Daniela

Io lo chiamavo l’invincibile, mio fratello maggiore. Era forte Orlando, sapeva fare tutto e non si ammalava mai. Fumava 3 pacchetti al giorno e lavorava in carrozzeria, verniciando senza usare la mascherina. Cosi’ è morto presto, a 56 anni, di tumore alla gola, e il desiderio che ho e che lui resusciti…ma non è possibile purtroppo. Daniela Scavazza, 4-11-60, operaia tessile cucitrice a mano.

Volpe Luigi

Desideri? No lasa stare, no ne gho de desideri, dele voie si’ ma non stagho a dirtale…ah si’… de far morire un po’ de zente ch’ a diria mi! Luigi Volpe, 23-9-59, operaio saldatore.

Zampini Sergio

Ho avuto tutto un periodo bellissimo , non un giorno solo. Ed è durato da quando avevo 6-7 anni ai 22-23. Sono contentissimo di quello che ho fatto e avuto allora. Mentre come giorni brutti ricordo la morte di mia madre e di mio zio Ivano. E poi il periodo che ho passato in carcere ai Piombi , per accuse da cui sono poi risultato assolto. Mi hanno tenuto quasi un mese in condizioni disumane solo perché volevano coinvolgessi altre persone. Per fortuna la mia famiglia e la gente con cui lavoravo mi hanno sostenuto tanto , non so se c’è l’avrei fatta a superare quella fase senza di loro. Desideri? Che mio nipotino si realizzi e abbia una vita felice e svernare sul Tirreno perché il clima padano mi deprime. Sergio Zampini 21/02/1951 consulente d’impresa.

Zanconato Paola

Di 42 anni passati al lavoro direi che la maggior parte l’ho fatta in piedi. Sempre in piedi! E quindi quest’anno: il 31 ottobre 2016, quando andrò in pensione, sarà proprio il giorno più bello della mia vita. Certo anche quando è nato Luca è stato importante e bellissimo, ma ormai lui è grande e sta bene, e quindi è il momento di dedicare tempo a me stessa. Ho problemi alla schiena ovviamente, devo fare della piscina. Paola Zanconato, 31-8-60, operaia tessile.

Zanella Isabella

Pensa, ancora dopo 40 anni, quando devo attraversare la strada non mi sento sicura, mi è rimasta quella cosa lì. Era novembre, all’ imbrunire, stavo attraversando la provinciale con la bicicletta, senonché una macchina con la ruota davanti mi ha scagliato a terra. Tanto shock, una clavicola rotta, ed eccoti il giorno peggiore della mia vita. Mentre quello più bello è stato la nascita di mia sorellina. Metticelo eh! Isabella Zanella, 7-10-73, operaia tessile, specialità asole e bottoni.

Zanella Massimo

Nostro figlio speciale è come una scatola, che se tu ci rumi dentro tiri fuori cose bellissime! Alla faccia di quei sanitari dell’Asl che molti anni fa dicevano che ce lo dovevam tenere così. Thomas intanto, pur con la sua disabilità, sa scrivere e leggere al computer. E ciò che noi genitori desideriamo è la sua autonomia e la sua integrazione. Che possa riuscire da solo anche quando noi non ci saremo più. Il comune e la gente di Stienta ci hanno molto aiutati, ma come sai c’è una burocrazia terribile. Per dirti: lo stato gli passava una piccola pensioncina, che però adesso viene considerata come reddito famigliare e quindi dobbiam pagare più tasse. Massimo Zanella, 28-5-72, operaio serramentista.

Paese reale 2016

Immagine menu

Pier Maria Romani